- fchao-Sinus-Wechselrichter AliExpress    Werbung      
Seite 1 von 2 12 LetzteLetzte
Ergebnis 1 bis 10 von 11

Thema: Quasi stochastische Signalverarbeitung

  1. #1
    Super-Moderator Lebende Robotik Legende Avatar von Manf
    Registriert seit
    30.01.2004
    Ort
    München
    Alter
    73
    Beiträge
    13.186

    Quasi stochastische Signalverarbeitung

    Anzeige

    Owon Funktionsgenerator Einfuehrung
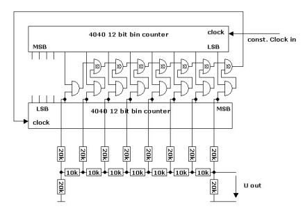
    Die angegebene Schaltung wird nicht zum Nachbau empfohlen, denn sie ist in der Funktion etwas unsicher. Sie lässt sich allerdings realisieren. Es ist eine Schaltung die eine Mischung aus Digitaltechnik, und Analogtechnik (und quasi stochastischer Rechentechnik).

    Sie besteht aus den beiden 12bit Binärzählern (Ripple Counter), 7 EXOR Gatter, 8 AND Gatter und einem Widerstandsnetzwerk.
    Bei Speisung mit einem konstanten Takt erscheint am Ausgang U out ein Spannungsverlauf mit einer periodischen Zeitfunktion.

    Welchen Verlauf hat die Zeitfunktion?
    Manfred
    Bild    

  2. #2
    Benutzer Stammmitglied
    Registriert seit
    06.11.2004
    Beiträge
    66
    Ich seh' nix...

  3. #3
    Benutzer Stammmitglied
    Registriert seit
    06.11.2004
    Beiträge
    66
    Oh, ich seh' doch was...

  4. #4
    Erfahrener Benutzer Roboter Experte
    Registriert seit
    10.12.2004
    Ort
    LEV
    Beiträge
    505
    Hallo,
    der Digitalteil sieht mir verdammt nach einem Quasi-Zufallszahlen-Generator aus.
    Am Ausgang nach dem R-2R DA-Wandler dürfte dann ein Rauschen erscheinen.
    Es ist jedoch kein echtes Rauschen, weil es sich nach einer festen Periode
    des Taktsignales wiederholt.


    Meine ich.

    Gruß Jan

  5. #5
    Erfahrener Benutzer Begeisterter Techniker Avatar von engineer
    Registriert seit
    24.01.2005
    Ort
    Raum Frankfurt
    Beiträge
    276
    Das wäre allerdings schon sehr zufällig, was da rauskommt. (Gatterschaltzeiten etc.) Wenn man "ordenliche" Zufallsgeneratoren bauen möchte, so lässt man zwei Zähler gegeneinanderlaufen, die von zwei unterschiedlichen Timern gesteuert werden. Diese Timer müssen dann"schlecht" aufgebaut werden- d.h. thermisch empfindlich. Man nimmt dazu einen 555er daher und bestückt an einem zeitkritischen Teiler einfach einen Rth. Durch Vergleich der beiden Zähler bekommt man bei jedem Durchlauf einen anderen Zeitpunkt für Zählergleichheit. Aus der Zeitdauer und dem Zählewer selber lässt sich eine Zufallszahl genrierten. Wer den Zählerwert benutzt, sollte bis zu einer Primzahl zählen lassen. Solange ein Zähler mindestens um eine Dekade schneller ist ,als der andere entsteht keine wirklichens Musster und alle Zählerstände werden statistisch gleich abgerufen.

  6. #6
    Super-Moderator Lebende Robotik Legende Avatar von Manf
    Registriert seit
    30.01.2004
    Ort
    München
    Alter
    73
    Beiträge
    13.186
    So ganz grob ist es schon richtig, vor allem wenn es nicht klappt und es falsch abgestimmt ist.

    Die Strukur des Digitalteils ist allerdings schon recht systematisch und er kann eine ganz tolle Funktion ausführen.

    Manfred

    (na gut was ist schon ganz toll, eben etwas, was man ab und zu mal gebrauchen kann)

  7. #7
    Erfahrener Benutzer Roboter Experte
    Registriert seit
    10.12.2004
    Ort
    LEV
    Beiträge
    505
    OK, hab nochmal genauer geguckt.
    Der zweite Zähler wird mit einem "zufälligen" Takt angesteuert,
    der vom ersten Zähler mit den XORs und ANDs erzeugt wird.
    Er zählt also brav vorwärts, aber mit schwankender Geschwindigkeit.
    Damit erzeugt er über den AD-Wandler einen Sägezahn,
    aber die ansteigende Treppe des Sägezahns
    hat Stufen unterschiedlicher, quasi-zufälliger Länge.

    Wie wärs damit ?

    Gruß Jan

  8. #8
    Super-Moderator Lebende Robotik Legende Avatar von Manf
    Registriert seit
    30.01.2004
    Ort
    München
    Alter
    73
    Beiträge
    13.186
    Das ist schon ein ganzes Stück näher dran, aber ...

    Mit EXOR Gattern werden in der Digitaltechnik häufig Zufallsfolgen erzeugt, hier nicht.

    Irgendwie gelingt es, das ganze recht determiniert laufen zu lassen. Es hat damit zu tun das der Skew (Versatz der Signalflanken) des Ripple Conters in die gleiche Richtung geht wie der Skew der EXOR Kette.

    Manfred

  9. #9
    Super-Moderator Lebende Robotik Legende Avatar von Manf
    Registriert seit
    30.01.2004
    Ort
    München
    Alter
    73
    Beiträge
    13.186
    Tut mir leid, es war ein kleiner Fehler in der Übertragung der Schaltung aufs "Papier". Man benötigt doch das 8. EXOR Gatter.
    (In der Testschaltung hatte ich das 8. AND Gatter nicht eingesetzt. )

    Es ist einfach die Fortsetzung der Systematik nur, wenn man die Einkopplung in die EXOR Kette ausschließlich durch den Zählerstand des 2. Zählers zuläßt, dann bleibt die Schaltung nach einem Durchgang hängen.

    Zum periodischen Weiterarbeiten braucht die EXOR Kette natürlich auch einen unbedingten Eingang.
    Bild  
    Manfred

    Bild    

  10. #10
    Super-Moderator Lebende Robotik Legende Avatar von Manf
    Registriert seit
    30.01.2004
    Ort
    München
    Alter
    73
    Beiträge
    13.186
    Da die Schaltung wirklich sehr ungewöhnlich ist, möchte ich noch folgende Erläuterung geben.

    Ein EXOR Gatter überträgt jeden Wechsel eines Eingangssignals an den Ausgang. Am Ausgang erscheint also die Summe aller Wechsel, wenn die Wechsel nicht gleichzeitig auftreten.

    Treten zwei Wechsel gleichzeitig auf, dann hebt sich deren Wirkung gerade auf. Interessanterweise kann man so von zwei Takten, die sich in der Rate um einen geraden ganzzahligen Faktor unterscheiden, je nach Phasenlage die Summe oder die Differenz bilden. Das ist ähnlich wie man bei einem Mischer, bei dem man die Summe und die Differenz zweier Frequenzen erhält.

    Das gleichzeitige Auftreten von Wechseln soll hier aber vermieden werden. Der Ripple Counter sorgt schon mit seinem Zeitversatz zwischen den einzelnen Stufen dafür und die Wirkung wird dadurch unterstützt, dass das erste Signal (LSB) in das kurze Ende der EXOR-Kette eingespeist wird und die kürzeste Zeitverzögerung hat, während der letzte Wechsel des Zählers in das entfernte Ende der EXOR-Kette eingespeist wird.

    Das Clock Signal für den oberen Zähler darf hierbei (wie allgemein üblich) nicht schneller sein als die Abarbeitung in der Laufzeit.

    Wen man das Ganze für bestimmte ausgewählte Zählerstände des unteren Zählers betrachtet, dann erkennt man dann vielleicht auch schon eine Analogie in der Signalverarbeitung zwischen der Gatterkette und dem Widerstandsnetzwerk, die beide vom Zählerstand des unteren Zählers gesteuert werden.
    Manfred

Seite 1 von 2 12 LetzteLetzte

Berechtigungen

  • Neue Themen erstellen: Nein
  • Themen beantworten: Nein
  • Anhänge hochladen: Nein
  • Beiträge bearbeiten: Nein
  •  

    Werbung      fchao-Sinus-Wechselrichter AliExpress