- Reichelt Elektronik    Werbung      
Seite 2 von 3 ErsteErste 123 LetzteLetzte
Ergebnis 11 bis 20 von 26

Thema: LED Treiber TPIC 6595

  1. #11
    Benutzer Stammmitglied
    Registriert seit
    17.12.2012
    Beiträge
    41
    Anzeige

    LiFePo4 Akku selber bauen - Video
    Hallo,

    also ich habe mittlerweile alle Bauteile beisammen und verlötet. Das Resultat ist leider nicht ganz so zufriedenstellend. Es funktioniert zwar, aber leider schalten die TPIC's nicht so wie sie sollten. Um eine 4x4 RGB-LED Matrix zu betrieben nutze ich zwei TPIC6B595. 12 Ausgänge sind für die Zeilen zustäding und 4 für die Spalten. Der Multiplexing-Betrieb erfolgt immer Spaltenweise, da die LED's mit gemeinsame Pluspol arbeiten. Die Spaltenausgänge habe ich auf PNP-Transistoren gelegt, die auf Plus durchschalten. Das Problem ist jetzt, dass die TPIC's den Ausgang irgendwie nicht wieder richtig dicht machen, denn wenn ich eine Spalte anschalte, und die folgende auschalte, dann schimmern die LED's trotzdem. Ein Nachleuchten der LED's kann es ja nicht sein, weil sie dauerthaft aus sein sollten. Wenn ich nicht im Multiplex-Betrieb bin, funktioniert es, bloß wenn ich dann Multiplexe leuchte die LED's die aus sein sollten dennoch ein wenig. Es scheint mir so, als ob die TPIC's nicht schnell genug zu machen würden, obwohl im Datenblatt eine Schaltzeit von 200ns angegeben ist. Mein Controller arbeiten aber nur mit 1MHz, es sollte als genug Zeit zum schalten da sein, außerdem Leuchten die LED's auch dann leicht, wenn ich den Multiplex-Betrieb so langsam mache, dass es anfängt zu flackern.

    Weiß hier jemand Rat? Ich habe keine Ahnung was das noch sein könnte. Wenn ich ein gutes Programm für Schaltpläne gefunden habe, dann stelle ich den auch bereits, da es damit sicher einfacher wird.

    Ich freue mich über jeden Lösungsansatz, da es für mich sehr wichtig ist, dass dieses Projekt gelingt, da meine Schulnote davon abhängt. Jetzt nochmals eine komplett neue Steuerung mit anderen Bauteilen zusammenzustellen ist nicht nur zeitaufwändig, sondern kostet auch nochmal Geld. Vielen Dank für jede Hilfe.

    MfG
    Der Eisvogel

  2. #12
    Erfahrener Benutzer Lebende Robotik Legende Avatar von PICture
    Registriert seit
    10.10.2005
    Ort
    Freyung bei Passau in Bayern
    Alter
    74
    Beiträge
    11.077
    Ich denke, dass es eine Pause zwischen Ausschalten einer Zeile/Spalte und Einschalten nächster Zeile/Spalte helfen könnte. Mehr kann ich ohne Schaltplan nicht sagen. Bild  
    MfG (Mit feinem Grübeln) Wir unterstützen dich bei deinen Projekten, aber wir entwickeln sie nicht für dich. (radbruch) "Irgendwas" geht "irgendwie" immer...(Rabenauge) Machs - und berichte.(oberallgeier) Man weißt wie, aber nie warum. Gut zu wissen, was man nicht weiß. Zuerst messen, danach fragen. Was heute geht, wurde gestern gebastelt. http://www.youtube.com/watch?v=qOAnVO3y2u8 Danke!

  3. #13
    Benutzer Stammmitglied
    Registriert seit
    17.12.2012
    Beiträge
    41
    Hallo,

    danke für die schnelle Antwort. Das mit den Pausen hatte ich schon versucht. Ich weiß garnicht mehr wo ich schon überall Pausen gesetzt hatte.

    Jedenfalls ist mir grade noch was aufgefallen. Wenn ich den Multiplex-Betrieb so langsam mache, dass jede Spalte für eine halbe Sekunden angezeigt wird, sehe ich wie beispielsweise die erste Spalte kurz aufblitzt, während die vierte Spalte leuchten sollte. Das Biltzen ist deutlich kürzer als eine halbe Sekunde. Ich hab dann mal versucht die Spaltentransitoren mit einem Pull-Up-Widerstand auf Plus zu ziehen und siehe da, das Schimmern ist deutlich schwächer. Ich muss jetzt also alle vier Spalten per Widerstand und Diode auf Plus ziehen. Momentan habe ich einen 10K Widerstand in Verwendung, jedoch ist das Schimmern noch ganz leicht zu sehen. Wie weit darf ich denn mit dem Pull-Up-Widerstand runter gehen, so dass das Schimmern komplett verschwindet? Wären 1,5K denkbar, ohne dass meine Bauteile Schaden nehmen? Ich mein die Transistoren (BC516) sind ja sehr empfindlich was sowas angeht.

    MfG
    Der Eisvogel

  4. #14
    Erfahrener Benutzer Lebende Robotik Legende Avatar von PICture
    Registriert seit
    10.10.2005
    Ort
    Freyung bei Passau in Bayern
    Alter
    74
    Beiträge
    11.077
    Sorry, aber ich kann mir deine Schaltung aus der Beschreibung nicht vorstellen, weil ich an Schaltpläne gewöhnt bin. Es würde eine Skizze von einem Transistor mit von mir benutztem und einfachem Programm ausreichen. Bild  

    Ich habe zum Ausprobieren eine Beschleunigung vom Sperren eines Transistors mit Cb skizziert, die mir noch eingefallen ist.
    Code:
    
               Cb                         Cb
    
               ||          |              ||
            +--||---+    C |           +--||---+
            |  ||   |      |           |  ||   |
            |  ___  |  B |/            |  ___  |
           -+-|___|-+-+--|     ===>   -+-|___|-+---+-
               Rb     |  |>               Rb   |   |
                     ---   |                   |  .-.
                  Cm --- E |                  --- | |
                      |    |               Cm --- | | Re
                     ===  ===                  |  '-'
                     GND  GND                  |   |
                                               +-+-+
                                                 |
                                                ===
         Cm = Montagekapazitanz der Basis       GND
    
         Cb = kompensierender Kondensator
    
    
    (created by AACircuit v1.28.6 beta 04/19/05 www.tech-chat.de)
    MfG (Mit feinem Grübeln) Wir unterstützen dich bei deinen Projekten, aber wir entwickeln sie nicht für dich. (radbruch) "Irgendwas" geht "irgendwie" immer...(Rabenauge) Machs - und berichte.(oberallgeier) Man weißt wie, aber nie warum. Gut zu wissen, was man nicht weiß. Zuerst messen, danach fragen. Was heute geht, wurde gestern gebastelt. http://www.youtube.com/watch?v=qOAnVO3y2u8 Danke!

  5. #15
    Benutzer Stammmitglied
    Registriert seit
    17.12.2012
    Beiträge
    41
    Hallo,

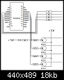
    also Kondensatoren verwende ich keine. Vereinfach mit einem TPIC sieht meine Schaltung so aus:
    Bild  

    DRAIN0-DRAIN3 gehen an die Zeilen und DRAIN4-DRAIN7 auf die Transitoren und damit auf die Spalten. Bisher hatte ich vor dem Transitor nur einen 47K Widerstand. Jetzt habe ich das ganze noch mit einer Diode und einem 10K Widerstand auf Plus gezogen, damit der Transitor richtig sperrt. Dadurch ist das Schimmern auch schon schwächer geworden. Natürlich muss ich das für alle vier Transistoren machen, aber bisher habe ich es erstmal nur für einen gemacht um den richtigen Widerstand zu finden.

    Beim Betrachten des Datenblatts von den TPIC's ist mir aufgefallen, dass die bereits einen kleinen Kondensator intergiert haben. Da steht:
    CL = 30pF
    Includes probe and jig capacitance.
    MfG
    Der Eisvogel

  6. #16
    Erfahrener Benutzer Lebende Robotik Legende Avatar von PICture
    Registriert seit
    10.10.2005
    Ort
    Freyung bei Passau in Bayern
    Alter
    74
    Beiträge
    11.077
    Sorry, aber ich kann dir leider nicht weiterhelfen, weil wir das Gleiche, wie für mich üblich, unterschiedlich verstehen. Bild  
    MfG (Mit feinem Grübeln) Wir unterstützen dich bei deinen Projekten, aber wir entwickeln sie nicht für dich. (radbruch) "Irgendwas" geht "irgendwie" immer...(Rabenauge) Machs - und berichte.(oberallgeier) Man weißt wie, aber nie warum. Gut zu wissen, was man nicht weiß. Zuerst messen, danach fragen. Was heute geht, wurde gestern gebastelt. http://www.youtube.com/watch?v=qOAnVO3y2u8 Danke!

  7. #17
    Benutzer Stammmitglied
    Registriert seit
    17.12.2012
    Beiträge
    41
    Hallo,

    das ist schade. Aber dann erkläre es mir doch bitte wie man es richtig macht. Mein Wissen beruht auf dem Internet und dem bisschen aus der Schule, wirklich viel Ahnung habe ich nicht, ich mach das alles meistens nach Gefühl.

    MfG
    Der Eisvogel

  8. #18
    Erfahrener Benutzer Lebende Robotik Legende Avatar von PICture
    Registriert seit
    10.10.2005
    Ort
    Freyung bei Passau in Bayern
    Alter
    74
    Beiträge
    11.077
    O.K. ich versuche es. Als erstes werde ich zwischen Emmiter und Basis der Schalttransistoren ein Widerstand gleich Basiswiderstand (47 k) schalten und evtl. beide verkleinern (z.B.auf 10 k bzw. weniger). Ausserdem paralell zu Rb ein Kondensator. Erst bei negativen Ergebnis des Versuchs kann ich weiterdenken. Bild  
    MfG (Mit feinem Grübeln) Wir unterstützen dich bei deinen Projekten, aber wir entwickeln sie nicht für dich. (radbruch) "Irgendwas" geht "irgendwie" immer...(Rabenauge) Machs - und berichte.(oberallgeier) Man weißt wie, aber nie warum. Gut zu wissen, was man nicht weiß. Zuerst messen, danach fragen. Was heute geht, wurde gestern gebastelt. http://www.youtube.com/watch?v=qOAnVO3y2u8 Danke!

  9. #19
    Benutzer Stammmitglied
    Registriert seit
    17.12.2012
    Beiträge
    41
    Hallo,

    danke für den Versuch. Habe derzeit keine Kondensatoren da, was für welche bestelle ich da am besten?

    MfG
    Der Eisvogel

  10. #20
    Erfahrener Benutzer Lebende Robotik Legende Avatar von PICture
    Registriert seit
    10.10.2005
    Ort
    Freyung bei Passau in Bayern
    Alter
    74
    Beiträge
    11.077
    Probiere zuerst ohne und die Werte sind nicht kritisch.

    Ich würde 10 x 1 nF + 10 x 10 nF für Testzwecke kaufen, weil man damit durch seriel und paralell Schalten sehr viel Werte zwischen ca. 100 pF und 100 nF "zaubern" kann. Das könnte später auch nützlich sein. Bild  
    MfG (Mit feinem Grübeln) Wir unterstützen dich bei deinen Projekten, aber wir entwickeln sie nicht für dich. (radbruch) "Irgendwas" geht "irgendwie" immer...(Rabenauge) Machs - und berichte.(oberallgeier) Man weißt wie, aber nie warum. Gut zu wissen, was man nicht weiß. Zuerst messen, danach fragen. Was heute geht, wurde gestern gebastelt. http://www.youtube.com/watch?v=qOAnVO3y2u8 Danke!

Seite 2 von 3 ErsteErste 123 LetzteLetzte

Ähnliche Themen

  1. Programmierbarer LED-Treiber
    Von Roboternetz-News im Forum Neuigkeiten / Technik-News / Nachrichten / Aktuelles
    Antworten: 0
    Letzter Beitrag: 28.04.2011, 11:20
  2. TLC59116 Led Treiber
    Von Koertis im Forum C - Programmierung (GCC u.a.)
    Antworten: 35
    Letzter Beitrag: 29.07.2010, 12:10
  3. led-treiber gesucht
    Von Roboman93 im Forum Suche bestimmtes Bauteil bzw. Empfehlung
    Antworten: 12
    Letzter Beitrag: 24.05.2010, 23:17
  4. Treiber für IR-Led(s)
    Von ikarus_177 im Forum Suche bestimmtes Bauteil bzw. Empfehlung
    Antworten: 16
    Letzter Beitrag: 09.04.2009, 14:42
  5. led treiber
    Von epos im Forum Elektronik
    Antworten: 17
    Letzter Beitrag: 21.09.2007, 22:23

Berechtigungen

  • Neue Themen erstellen: Nein
  • Themen beantworten: Nein
  • Anhänge hochladen: Nein
  • Beiträge bearbeiten: Nein
  •  

    Werbung      12V Akku bauen