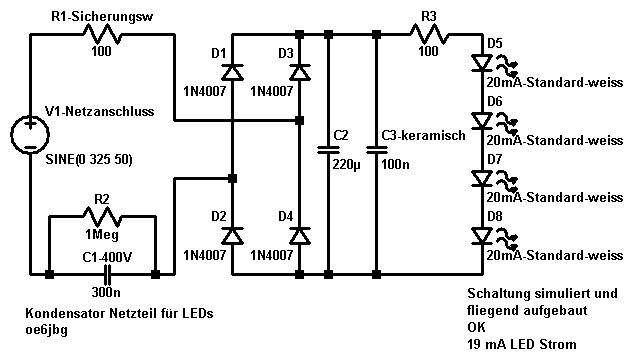
In eine Dekorationslampe will ich mir einige wenige Standard LEDs einbauen und mit möglichst wenig Aufwand aus dem 230V Netz versorgen.
Ein wenig gerechnet, einen fliegenden Aufbau zusammengesteckt, Spannungen und Ströme nachgemessen und so sieht es jetzt aus:
![]()
Den Nachbau empfehle ich nicht. So etwas ist keine Hobbybastelarbeit, und erfahrene Fachleute wissen ohnehin, was zu tun ist.







Zitieren


Lesezeichen