Hi Florian!!
Der L298 hat KEINE internen Shunts!!
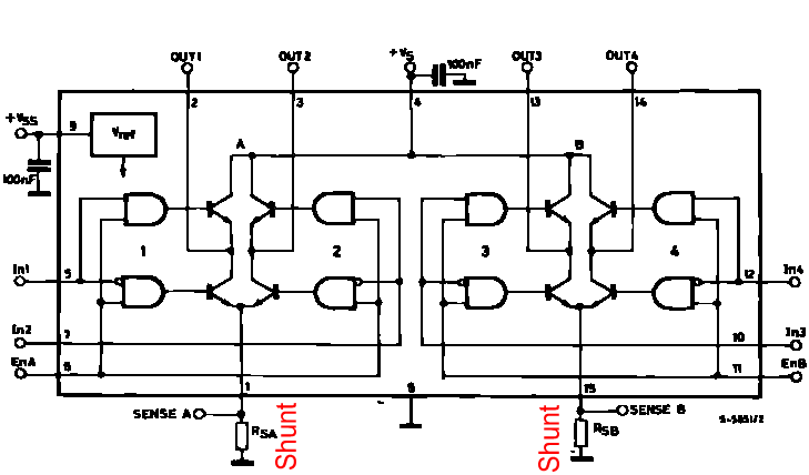
Das sind nur die Masseausgänge für die beiden Motoren.
Die kann man entweder einfach stumpfsinnig auf Masse legen oder einen
Shunt anschießen.
Um es eimfach zu sagen: Der Strom kommt aus dem Motor dort vorbei und will nach Masse fließen, und zwar durch DIESEN Pin. Eignet sich natürlich 1A zum Strommessen, deshalb heist der Ausgang auch Current Sensing.
guckste hiääöööörrr:
![]()
(L298 von innen)
Da wo Shunt steht kannste den Shunt anschließen.
Ist da schon mit nem Widerstend gemacht.
Mist ich finde dieses telemetrie Dings nicht an dem dieser Shunt ist...
Muss mal meinen Vater fragen. Der hat das irgendwo im Hubi drin...
Glaub ich zumindest............![]()
Aber es gibt so Shunts, die hängt man einfach zwischen Verbraucher und
Pol und je mehr Strom gezogen wird, desto mehr Spannung liegt am Ausgang an. Die sind fix und fertig in einem Gehäuse.
Sieht ein bisschen aus wie ein zerquetschter Gleichrichter.
Ich werd mienen Vater mal fragen...
Bis dahin:
Viele viele liebe Grüße,
Tobi






Zitieren


Lesezeichen