- fchao-Sinus-Wechselrichter AliExpress         
Ergebnis 1 bis 3 von 3

Thema: Fotodiode

Hybrid-Darstellung

Vorheriger Beitrag Vorheriger Beitrag   Nächster Beitrag Nächster Beitrag
  1. #1
    Neuer Benutzer Öfters hier
    Registriert seit
    31.07.2005
    Beiträge
    25

    Fotodiode

    HI
    ich bin ein anfänger (nur zu warnung)
    ich wollte mal wissen wie ich eine fotodiode an der c-control anschließen muss

  2. #2
    Super-Moderator Lebende Robotik Legende Avatar von Manf
    Registriert seit
    30.01.2004
    Ort
    München
    Alter
    72
    Beiträge
    13.165
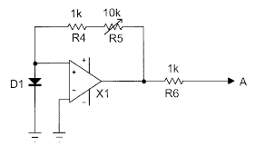
    Hier sind zwei Bilder von Fotodioden in Schaltungen.
    Im einen ist die Fotodiode im Spannungsteiler mit einem Widerstand. Wenn das Signal groß genug ist kann man bei 5V Betrieb die Diode auch direkt an den Controller anschließen.
    Wenn ein Verstärker erfoderlich ist, dann im Fall von AC der Verstärker mit AC Kopplung.
    Für DC Signale ist der andere Verstärker vorgesehen.
    Manfred


  3. #3
    Neuer Benutzer Öfters hier
    Registriert seit
    31.07.2005
    Beiträge
    25
    jo danke für deine antwort ich werde es mal ausprobieren

Berechtigungen

  • Neue Themen erstellen: Nein
  • Themen beantworten: Nein
  • Anhänge hochladen: Nein
  • Beiträge bearbeiten: Nein
  •  

Labornetzteil AliExpress